
Kebolehulangan:±0.01mm
Beban Mendatar:120kg
Beban Menegak:50kg
Kelajuan Maksimum:2000mm/s
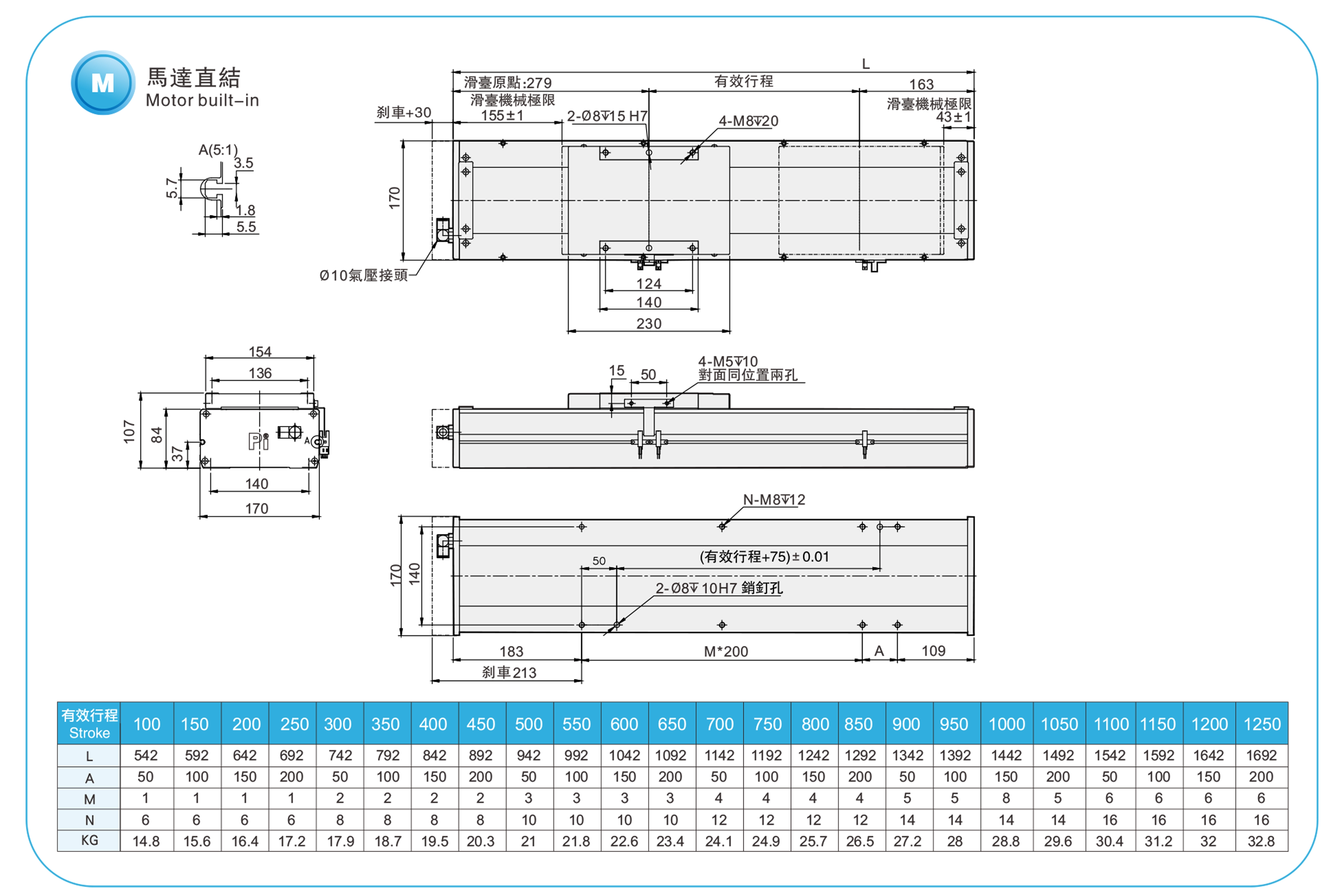
Pitch Strok:100-1250mm
Tetapkan pecutan dan nyahpecutan motor kepada 0.2 saat.
Spesifikasi standard tidak boleh digunakan untuk penggunaan kren terbalik. Jika anda mempunyai sebarang keperluan, sila hubungi kami melalui telefon atau tinggalkan mesej dalam talian.
Masa penghantaran: 7-10 hari






| Spesifikasi | Kebolehulangan (mm) | ±0.01 | ||||
| Plumbum Skru Bola (mm) | 5 | 10 | 20 | 40 | ||
| Kelajuan Maksimum (mm/s) | 250 | 500 | 1000 | 2000 | ||
| Muatan Maksimum | Mendatar (kg) | 120 | 110 | 75 | 22 | |
| Menegak (kg) | 40 | 30 | 14 | 7 | ||
| Tujahan Berkadar (N) | 1388 | 694 | 347 | 174 | ||
| Pitch Strok (mm) | 100-1250mm/50mm Pitch | |||||
| Bahagian | Kuasa Motor Servo AC (W) | 400W | ||||
| Skru Bola Ø (mm) | C7Ø20 | |||||
| Panduan Linear Ketegaran Tinggi (mm) | W20XH15 | |||||
| Gandingan (mm) | 12X14 | |||||
| Sensor Rumah | Di luar | EE-SX672(NPN) | ||||
| Terbina Dalam | EE-SX674(NPN) | |||||


| Pemasangan Mendatar | A | B | C | |
| Lead5 | 70kg | 3235 | 349 | 408 |
| 90kg | 2482 | 263 | 306 | |
| 120kg | 1850 | 187 | 217 | |
| Lead10 | 65kg | 1911 | 338 | 373 |
| 85kg | 1445 | 248 | 276 | |
| 110kg | 1102 | 182 | 202 | |
| Lead20 | 35kg | 1666 | 547 | 538 |
| 55kg | 1030 | 331 | 328 | |
| 75kg | 733 | 231 | 230 | |
| Lead40 | 15kg | 1126 | 740 | 577 |
| 22kg | 755 | 490 | 384 | |
| - | - | - | - | |

| Pemasangan Dinding | A | B | C | |
| Lead5 | 75kg | 377 | 322 | 2988 |
| 95kg | 288 | 246 | 2333 | |
| 120kg | 218 | 187 | 1850 | |
| Lead10 | 60kg | 408 | 368 | 2092 |
| 80kg | 296 | 266 | 1554 | |
| 110kg | 202 | 182 | 1102 | |
| Lead20 | 30kg | 633 | 644 | 1961 |
| 50kg | 365 | 369 | 1143 | |
| 75kg | 230 | 231 | 733 | |
| Lead40 | 12kg | 729 | 936 | 1417 |
| 22kg | 384 | 491 | 755 | |
| - | - | - | - | |

| Pemasangan Menegak | A | C | |
| Lead5 | 20kg | 1368 | 1368 |
| 30kg | 911 | 911 | |
| 40kg | 683 | 683 | |
| Lead10 | 15kg | 1618 | 618 |
| 25kg | 970 | 970 | |
| 30kg | 808 | 808 | |
| Lead20 | 10kg | 1922 | 1922 |
| 14kg | 1377 | 1377 | |
| - | - | - | |
| Lead40 | 4kg | 2377 | 2377 |
| 7kg | 1356 | 1356 | |
| - | - | - | |

| SAYA | 1032 |
| Ahli Parlimen | 1034 |
| MR | 908 |
| Gunakan Di Mana | Mod Dipacu | Spesifikasi Model | Output Motor (w) | Lebar (mm) | Kebolehulangan (mm) | Spesifikasi Skru Bola | Muatan Maksimum (kg) | Kelajuan maksimum (mm/s) *1 | ||
|---|---|---|---|---|---|---|---|---|---|---|
| Diameter Luar (mm) | Plumbum (mm) | Mendatar | Menegak | |||||||
| Persekitaran Standard | Skru Bola | RMD12 | 100W | 102 | ±0.01 | 16 | 5 | 50 | 12 | 250 |
| 10 | 30 | 8 | 500 | |||||||
| 20 | 18 tahun | 3 | 1000 | |||||||
| 32 | 5 | - | 1600 | |||||||
| 200W | 102 | ±0.01 | 16 | 5 | 50 | 12 | 250 | |||
| 10 | 30 | 8 | 500 | |||||||
| 20 | 18 tahun | 3 | 1000 | |||||||
| 32 | 5 | - | 1600 | |||||||
| RMD14 | 200W | 135 | ±0.01 | 16 | 5 | 95 | 27 | 250 | ||
| 10 | 75 | 18 tahun | 500 | |||||||
| 20 | 35 | 7 | 1000 | |||||||
| 32 | 15 | - | 1600 | |||||||
| 400W | 135 | ±0.01 | 16 | 5 | 110 | 33 | 250 | |||
| 10 | 88 | 22 | 500 | |||||||
| 20 | 40 | 10 | 1000 | |||||||
| 32 | 30 | 8 | 1600 | |||||||
| RMD17 | 400W | 170 | ±0.01 | 20 | 5 | 120 | 40 | 250 | ||
| 10 | 110 | 30 | 500 | |||||||
| 20 | 75 | 14 | 1000 | |||||||
| 40 | 22 | 7 | 2000 | |||||||
| 750W | 170 | ±0.01 | 20 | 5 | 120 | 50 | 250 | |||
| 10 | 120 | 40 | 500 | |||||||
| 20 | 83 | 25 | 1000 | |||||||
| 40 | 43 | 12 | 2000 | |||||||
| RMD22 | 750W | 220 | ±0.01 | 25 | 5 | 150 | 55 | 250 | ||
| 10 | 150 | 45 | 500 | |||||||
| 25 | 105 | 20 | 1250 | |||||||
| 20 | 40 | 43 | 12 | 2000 | ||||||
| RMD28 | 1500W | 280 | ±0.01 | 32 | 10 | 320 | 150 | 500 | ||
| 20 | 180 | 75 | 1000 | |||||||
| 32 | 75 | 35 | 1600 | |||||||
* Kelajuan tertinggi adalah berdasarkan rpm maksimum motor servo (3000). Kelajuan tertinggi adalah berdasarkan rpm maksimum motor stepping (500).





