
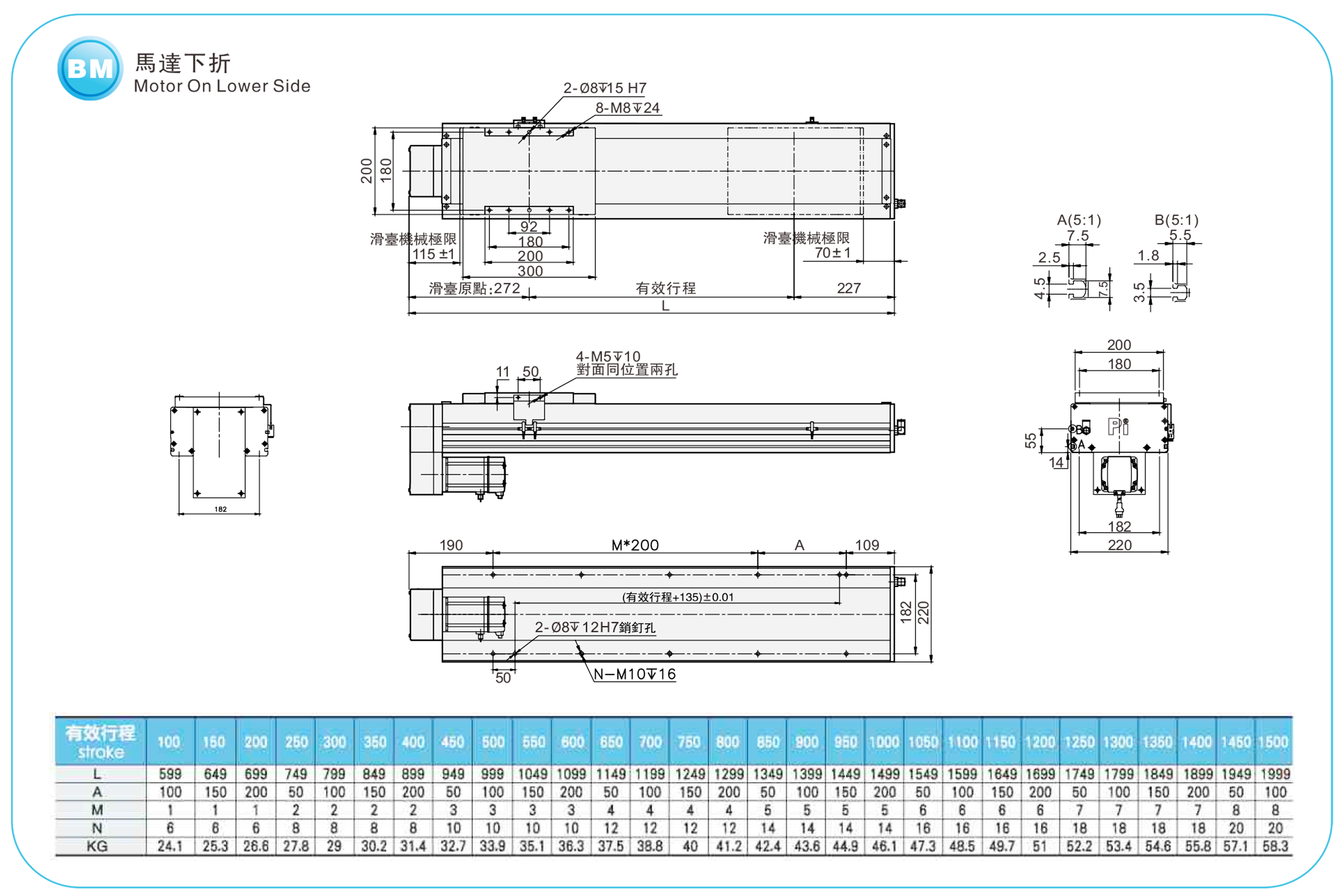
Kebolehulangan:±0.01mm
Beban Mendatar:150kg
Beban Menegak:55kg
Kelajuan Maksimum:2000mm/s
Padang Lejang:100-1500mm
Tetapkan pecutan dan nyahpecutan motor kepada 0.2 saat.
Spesifikasi standard tidak boleh digunakan untuk penggunaan kren terbalik. Jika anda mempunyai sebarang keperluan, sila hubungi kami melalui telefon atau tinggalkan mesej dalam talian.
Masa penghantaran: 7-10 hari






| Spesifikasi | Kebolehulangan(mm) | ±0.01 | ||||
| Plumbum Skru Bola (mm) | 5 | 10 | 20 | 40 | ||
| Kelajuan Maksimum (mm/s) | 250 | 500 | 1000 | 2000 | ||
| Muatan Maksimum | Mendatar (kg) | 150 | 150 | 105 | 40 | |
| Menegak (kg) | 55 | 45 | 20 | 12 | ||
| Teras Dinilai (N) | 2565 | 1281 | 640 | 320 | ||
| Padang Lejang (mm) | Padang 100-1500mm/50mm | |||||
| bahagian | Kuasa Motor Servo AC (W) | 750W | ||||
| Skru Bola Ø (mm) | C7Ø25 | |||||
| Panduan Linear Ketegaran Tinggi (mm) | W23XH18 | |||||
| Gandingan (mm) | 17X19 | |||||
| Penderia Rumah | Di luar | EE-SX672(NPN) | ||||
| Terbina Dalam | EE-SX674(NPN) | |||||


| Pemasangan Mendatar | A | B | C | |
| Memimpin5 | 100kg | 5000 | 633 | 557 |
| 125kg | 3880 | 491 | 431 | |
| 150kg | 3357 | 396 | 347 | |
| Memimpin10 | 100kg | 3220 | 563 | 474 |
| 125kg | 2554 | 434 | 367 | |
| 150kg | 2113 | 349 | 295 | |
| Memimpin25 | 65kg | 1522 | 614 | 458 |
| 85kg | 1136 | 451 | 336 | |
| 105kg | 893 | 350 | 262 | |
| Lead40 | 18kg | 2445 | 1616 | 1052 |
| 30kg | 1436 | 938 | 613 | |
| 40kg | 978 | 630 | 412 | |

| Pemasangan Dinding | A | B | C | |
| Memimpin5 | 110kg | 500 | 569 | 4500 |
| 130kg | 412 | 469 | 3711 | |
| 150kg | 347 | 396 | 3357 | |
| Memimpin10 | 110kg | 427 | 503 | 2900 |
| 130kg | 351 | 414 | 2444 | |
| 150kg | 295 | 349 | 2113 | |
| Memimpin25 | 70kg | 420 | 564 | 1404 |
| 90kg | 315 | 420 | 1066 | |
| 105kg | 262 | 350 | 893 | |
| Lead40 | 15kg | 1272 | 1955 | 2948 |
| 24kg | 778 | 1190 | 1813 | |
| 43kg | 412 | 630 | 978 | |

| Pemasangan Menegak | A | C | |
| Memimpin5 | 30kg | 2355 | 2355 |
| 40kg | 1768 | 1768 | |
| 55kg | 1288 | 1288 | |
| Memimpin10 | 25kg | 2505 | 2505 |
| 35kg | 1795 | 1795 | |
| 45kg | 1396 | 1396 | |
| Memimpin25 | 15kg | 2711 | 2711 |
| 20kg | 2033 | 2033 | |
| 20kg | 2033 | 2033 | |
| Lead40 | 7kg | 3511 | 3511 |
| 12kg | 2055 | 2055 | |
| 12kg | 2055 | 2055 | |

| SAYA | 2052 |
| Ahli Parlimen | 2052 |
| ENCIK | 1810 |
| Gunakan Di Mana | Mod Didorong | Spesifikasi Model | Keluaran Motor (w) | Lebar (mm) | Kebolehulangan (mm) | Spesifikasi Skru Bola | Muatan Maksimum(kg) | Kelajuan maksimum (mm/s) *1 | ||
|---|---|---|---|---|---|---|---|---|---|---|
| Diameter Luar (mm) | Plumbum(mm) | Mendatar | Menegak | |||||||
| Persekitaran Stndard | Skru Bola | RMD12 | 100W | 102 | ±0.01 | 16 | 5 | 50 | 12 | 250 |
| 10 | 30 | 8 | 500 | |||||||
| 20 | 18 | 3 | 1000 | |||||||
| 32 | 5 | - | 1600 | |||||||
| 200W | 102 | ±0.01 | 16 | 5 | 50 | 12 | 250 | |||
| 10 | 30 | 8 | 500 | |||||||
| 20 | 18 | 3 | 1000 | |||||||
| 32 | 5 | - | 1600 | |||||||
| RMD14 | 200W | 135 | ±0.01 | 16 | 5 | 95 | 27 | 250 | ||
| 10 | 75 | 18 | 500 | |||||||
| 20 | 35 | 7 | 1000 | |||||||
| 32 | 15 | - | 1600 | |||||||
| 400W | 135 | ±0.01 | 16 | 5 | 110 | 33 | 250 | |||
| 10 | 88 | 22 | 500 | |||||||
| 20 | 40 | 10 | 1000 | |||||||
| 32 | 30 | 8 | 1600 | |||||||
| RMD17 | 400W | 170 | ±0.01 | 20 | 5 | 120 | 40 | 250 | ||
| 10 | 110 | 30 | 500 | |||||||
| 20 | 75 | 14 | 1000 | |||||||
| 40 | 22 | 7 | 2000 | |||||||
| 750W | 170 | ±0.01 | 20 | 5 | 120 | 50 | 250 | |||
| 10 | 120 | 40 | 500 | |||||||
| 20 | 83 | 25 | 1000 | |||||||
| 40 | 43 | 12 | 2000 | |||||||
| RMD22 | 750W | 220 | ±0.01 | 25 | 5 | 150 | 55 | 250 | ||
| 10 | 150 | 45 | 500 | |||||||
| 25 | 105 | 20 | 1250 | |||||||
| 20 | 40 | 43 | 12 | 2000 | ||||||
| RMD28 | 1500W | 280 | ±0.01 | 32 | 10 | 320 | 150 | 500 | ||
| 20 | 180 | 75 | 1000 | |||||||
| 32 | 75 | 35 | 1600 | |||||||
* Kelajuan tertinggi adalah berdasarkan rpm motor servo maksimum (3000). Kelajuan tertinggi adalah berdasarkan rpm motor melangkah maksimum (500).





