PRODUK
Lokasi semasa:Rumah > produk > Penggerak Tali Pinggang Standard > Siri MKR > MKR110 > Motor Bahagian Kiri 
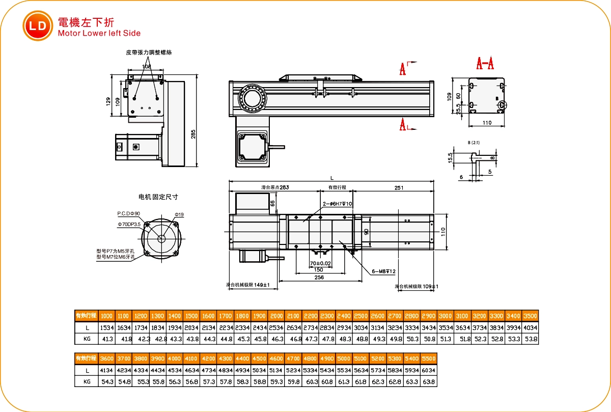
Kebolehulangan:±0.1mm
Beban Mendatar:200kg
Plumbum:280mm
Kelajuan Maksimum:1400mm/s
Pitch Strok:100-5500mm
Tetapkan pecutan dan nyahpecutan motor kepada 0.2 saat.
Spesifikasi standard tidak boleh digunakan untuk penggunaan kren terbalik. Jika anda mempunyai sebarang keperluan, sila hubungi kami melalui telefon atau tinggalkan mesej dalam talian.
Masa penghantaran: 7-10 hari





| Spesifikasi | Kebolehulangan (mm) | ±0.1 | ||||||
| Plumbum (mm) | 200 | |||||||
| Nisbah pengurangan | 10:1 | 15:1 | 20:1 | |||||
| Kelajuan Maksimum (mm/s) | 1400 | 933 | 700 | |||||
| Muatan Maksimum | Mendatar (kg) | 100 | 150 | 200 | ||||
| Menegak (kg) | 23 | 36 | 50 | |||||
| Tujahan Berkadar (N) | 517 | 774 | 1034 | |||||
| Pitch Strok (mm) | 100-5500mm/100mm Pitch | |||||||
| Bahagian | Kuasa Motor Servo AC (W) | 750W | ||||||
| Lebar Bola (mm) | 50 | |||||||
| Panduan Linear Ketegaran Tinggi (mm) | W23XH19 | |||||||
| Sensor Rumah | Di luar | EE-SX672(NPN) | ||||||


| Pemasangan Mendatar | A | B | C | |
| 10 ∶ 1 | 60kg | 1110 | 195 | 25 |
| 80kg | 750 | 126 | 16 | |
| 100kg | 550 | 85 | 11 | |
| 15∶1 | 90kg | 1400 | 160 | 20 |
| 120kg | 940 | 100 | 13 | |
| 150kg | 650 | 63 | 8 | |
| 20∶1 | 120kg | 1400 | 115 | 15 |
| 160kg | 900 | 65 | 8 | |
| 200kg | 550 | 35 | 5 | |

| Pemasangan Dinding | A | B | C | |
| 10 ∶ 1 | 60kg | 25 | 195 | 1110 |
| 80kg | 16 | 126 | 750 | |
| 100kg | 11 | 85 | 550 | |
| 15∶1 | 90kg | 20 | 160 | 1400 |
| 120kg | 13 | 100 | 940 | |
| 150kg | 8 | 63 | 650 | |
| 20∶1 | 120kg | 15 | 115 | 1400 |
| 160kg | 8 | 65 | 900 | |
| 200kg | 5 | 35 | 550 | |

| Pemasangan Menegak | A | C | |
| 10 ∶ 1 | 12kg | 1300 | 1300 |
| 18kg | 870 | 870 | |
| 23kg | 680 | 680 | |
| 15∶1 | 14kg | 1480 | 1480 |
| 25kg | 830 | 830 | |
| 36kg | 575 | 575 | |
| 20∶1 | 30kg | 750 | 750 |
| 40kg | 560 | 560 | |
| 50kg | 450 | 450 | |

| SAYA | 1479.3 |
| Ahli Parlimen | 1479.3 |
| MR | 189.7 |
| Gunakan Di Mana | Mod Dipacu | Spesifikasi Model | Mekanisme Pengurang | Output Motor (w) | Lebar (mm) | Kebolehulangan (mm) | Spesifikasi tali pinggang | Muatan Maksimum (kg) | Kelajuan maksimum (mm/s) *1 | ||
|---|---|---|---|---|---|---|---|---|---|---|---|
| Lebar tali pinggang (mm) | Plumbum (mm) | Mendatar | Menegak | ||||||||
| Piawai | Tali sawat pemasaan | MKR40 | Ya | 100W | 40 | ±0.1 | 15 | 90 | 8 | 2 | 4500 |
| MKR65 | Ya | 400W | 65 | ±0.1 | 30 | 130 | 60 | 17 | 5000 | ||
| MKR80 | Ya | 750W | 80 | ±0.1 | 35 | 200 | 100 | 24 | 5000 | ||
| MKR110 | Ya | 750W/1000 | 110 | ±0.1 | 50 | 280 | 200 | 50 | 5000 | ||
| OBB65 | Ya | 400W | 65 | ±0.1 | 30 | 110 | 25 | 6 | 5000 | ||








